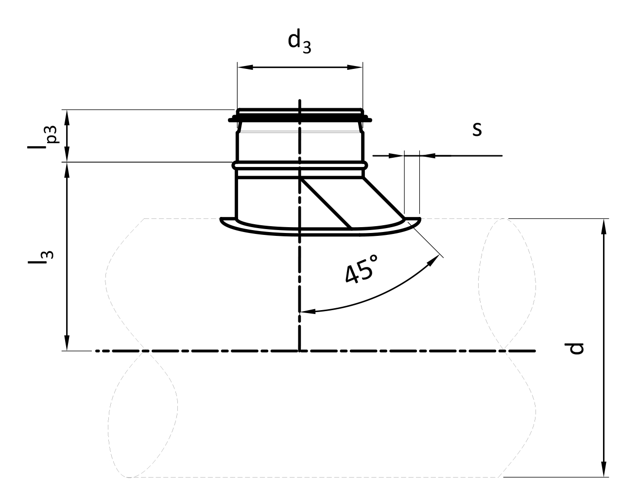
Het ZSCB Zadelstuk stromend heeft een hoek van 90° met aan één kant een stromend gedeelte van 45° dat zorgt voor een luchtstroom met minder weerstand naar de aftakking. De ronding van het zadelstuk dient gelijk te zijn aan de in kolom d van het artikelnummer genoemde buismaten. Dit verschilt ondanks dat de aftakkingmaat gelijk kan zijn.
Dit hulpstuk heeft aan het einde van één steekeind de KEN-LOK rubberafdichting met dubbele lip (Soft-Edge) en schuift hiermee eenvoudig in een Spiralobuis.
| Artikelcode | Voorraad | d3 | d | l3 | lp3 | s | Doos # | Pallet # | Gewicht (kg) | ||
| ZSCB010.010K | - | 100 | 100 | 107 | 43 | 10 | 42 | 336 | 0.25 | ||
| ZSCB010.012K | - | 100 | 125 | 120 | 43 | 10 | 42 | 336 | 0.22 | ||
| ZSCB010.015-016K | - | 100 | 150-160 | 140-145 | 43 | 10 | 42 | 336 | 0.24 | ||
Artikelcode ZSCB010.015-016K Voorraad - d3 100 d 150-160 l3 140-145 lp3 43 s 10 Doos # 42 Pallet # 336 Gewicht (kg) 0.24 | |||||||||||
| ZSCB010.018-020K | - | 100 | 180-200 | 182-192 | 43 | 10 | 42 | 336 | 0.29 | ||
Artikelcode ZSCB010.018-020K Voorraad - d3 100 d 180-200 l3 182-192 lp3 43 s 10 Doos # 42 Pallet # 336 Gewicht (kg) 0.29 | |||||||||||
| ZSCB010.022-025K | - | 100 | 224-250 | 179-193 | 43 | 10 | 56 | 448 | 0.23 | ||
Artikelcode ZSCB010.022-025K Voorraad - d3 100 d 224-250 l3 179-193 lp3 43 s 10 Doos # 56 Pallet # 448 Gewicht (kg) 0.23 | |||||||||||
| ZSCB010.028-035K | - | 100 | 280-355 | 207-245 | 43 | 10 | 48 | 384 | 0.22 | ||
Artikelcode ZSCB010.028-035K Voorraad - d3 100 d 280-355 l3 207-245 lp3 43 s 10 Doos # 48 Pallet # 384 Gewicht (kg) 0.22 | |||||||||||
| ZSCB010.040K | - | 100 | 400 | 267 | 43 | 10 | 48 | 384 | 0.22 | ||
| ZSCB012.012K | - | 125 | 125 | 142 | 43 | 10 | 60 | 240 | 0.38 | ||
| ZSCB012.015-016K | - | 125 | 150-160 | 154-159 | 43 | 10 | 60 | 240 | 0.34 | ||
Artikelcode ZSCB012.015-016K Voorraad - d3 125 d 150-160 l3 154-159 lp3 43 s 10 Doos # 60 Pallet # 240 Gewicht (kg) 0.34 | |||||||||||
| ZSCB012.018-020K | - | 125 | 180-200 | 169-179 | 43 | 10 | 60 | 240 | 0.33 | ||
Artikelcode ZSCB012.018-020K Voorraad - d3 125 d 180-200 l3 169-179 lp3 43 s 10 Doos # 60 Pallet # 240 Gewicht (kg) 0.33 | |||||||||||
| ZSCB012.022-025K | - | 125 | 224-250 | 191-204 | 43 | 10 | 60 | 240 | 0.32 | ||
Artikelcode ZSCB012.022-025K Voorraad - d3 125 d 224-250 l3 191-204 lp3 43 s 10 Doos # 60 Pallet # 240 Gewicht (kg) 0.32 | |||||||||||
| ZSCB012.028-035K | - | 125 | 280-355 | 219-257 | 43 | 10 | 60 | 240 | 0.31 | ||
Artikelcode ZSCB012.028-035K Voorraad - d3 125 d 280-355 l3 219-257 lp3 43 s 10 Doos # 60 Pallet # 240 Gewicht (kg) 0.31 | |||||||||||
| ZSCB012.040K | - | 125 | 400 | 279 | 43 | 10 | 60 | 240 | 0.31 | ||
| ZSCB015.015K | - | 150 | 150 | 167 | 43 | 10 | 40 | 160 | 0.52 | ||
| ZSCB015.016K | - | 150 | 160 | 172 | 43 | 10 | 42 | 168 | 0.49 | ||
| ZSCB015.018-020K | - | 150 | 180-200 | 182-192 | 43 | 10 | 42 | 168 | 0.46 | ||
Artikelcode ZSCB015.018-020K Voorraad - d3 150 d 180-200 l3 182-192 lp3 43 s 10 Doos # 42 Pallet # 168 Gewicht (kg) 0.46 | |||||||||||
| ZSCB015.022-025K | - | 150 | 224-250 | 204-217 | 43 | 10 | 42 | 168 | 0.44 | ||
Artikelcode ZSCB015.022-025K Voorraad - d3 150 d 224-250 l3 204-217 lp3 43 s 10 Doos # 42 Pallet # 168 Gewicht (kg) 0.44 | |||||||||||
| ZSCB015.028-031K | - | 150 | 280-315 | 232-250 | 43 | 10 | 42 | 168 | 0.43 | ||
Artikelcode ZSCB015.028-031K Voorraad - d3 150 d 280-315 l3 232-250 lp3 43 s 10 Doos # 42 Pallet # 168 Gewicht (kg) 0.43 | |||||||||||
| ZSCB015.035-045K | - | 150 | 355-450 | 250-297 | 43 | 10 | 42 | 168 | 0.35 | ||
Artikelcode ZSCB015.035-045K Voorraad - d3 150 d 355-450 l3 250-297 lp3 43 s 10 Doos # 42 Pallet # 168 Gewicht (kg) 0.35 | |||||||||||
| ZSCB016.016K | - | 160 | 160 | 172 | 43 | 10 | 35 | 140 | 0.56 | ||
| ZSCB016.018-020K | - | 160 | 180-200 | 182-192 | 43 | 10 | 42 | 168 | 0.50 | ||
Artikelcode ZSCB016.018-020K Voorraad - d3 160 d 180-200 l3 182-192 lp3 43 s 10 Doos # 42 Pallet # 168 Gewicht (kg) 0.50 | |||||||||||
| ZSCB016.022-025K | - | 160 | 224-250 | 214-227 | 43 | 10 | 42 | 168 | 0.51 | ||
Artikelcode ZSCB016.022-025K Voorraad - d3 160 d 224-250 l3 214-227 lp3 43 s 10 Doos # 42 Pallet # 168 Gewicht (kg) 0.51 | |||||||||||
| ZSCB016.028-031K | - | 160 | 280-315 | 222-240 | 43 | 10 | 42 | 168 | 0.42 | ||
Artikelcode ZSCB016.028-031K Voorraad - d3 160 d 280-315 l3 222-240 lp3 43 s 10 Doos # 42 Pallet # 168 Gewicht (kg) 0.42 | |||||||||||
| ZSCB018.018-020K | - | 180 | 180-200 | 207-217 | 43 | 10 | 24 | 96 | 0.76 | ||
Artikelcode ZSCB018.018-020K Voorraad - d3 180 d 180-200 l3 207-217 lp3 43 s 10 Doos # 24 Pallet # 96 Gewicht (kg) 0.76 | |||||||||||
| ZSCB018.022-025K | - | 180 | 224-250 | 229-242 | 43 | 10 | 24 | 96 | 0.67 | ||
Artikelcode ZSCB018.022-025K Voorraad - d3 180 d 224-250 l3 229-242 lp3 43 s 10 Doos # 24 Pallet # 96 Gewicht (kg) 0.67 | |||||||||||
| ZSCB018.028-031K | - | 180 | 280-315 | 257-275 | 43 | 10 | 24 | 96 | 0.64 | ||
Artikelcode ZSCB018.028-031K Voorraad - d3 180 d 280-315 l3 257-275 lp3 43 s 10 Doos # 24 Pallet # 96 Gewicht (kg) 0.64 | |||||||||||
| ZSCB018.035-040K | - | 180 | 355-400 | 280-303 | 43 | 10 | 24 | 96 | 0.55 | ||
Artikelcode ZSCB018.035-040K Voorraad - d3 180 d 355-400 l3 280-303 lp3 43 s 10 Doos # 24 Pallet # 96 Gewicht (kg) 0.55 | |||||||||||
| ZSCB020.020K | - | 200 | 200 | 217 | 43 | 10 | 15 | 60 | 0.85 | ||
| ZSCB020.022-025K | - | 200 | 224-250 | 229-242 | 43 | 10 | 18 | 72 | 0.75 | ||
Artikelcode ZSCB020.022-025K Voorraad - d3 200 d 224-250 l3 229-242 lp3 43 s 10 Doos # 18 Pallet # 72 Gewicht (kg) 0.75 | |||||||||||
| ZSCB020.028-031K | - | 200 | 280-315 | 257-275 | 43 | 10 | 18 | 72 | 0.71 | ||
Artikelcode ZSCB020.028-031K Voorraad - d3 200 d 280-315 l3 257-275 lp3 43 s 10 Doos # 18 Pallet # 72 Gewicht (kg) 0.71 | |||||||||||
| ZSCB020.035-040K | - | 200 | 355-400 | 295-317 | 43 | 10 | 16 | 64 | 0.69 | ||
Artikelcode ZSCB020.035-040K Voorraad - d3 200 d 355-400 l3 295-317 lp3 43 s 10 Doos # 16 Pallet # 64 Gewicht (kg) 0.69 | |||||||||||
| ZSCB020.045-056K | - | 200 | 450-560 | 342-397 | 43 | 10 | 16 | 64 | 0.66 | ||
Artikelcode ZSCB020.045-056K Voorraad - d3 200 d 450-560 l3 342-397 lp3 43 s 10 Doos # 16 Pallet # 64 Gewicht (kg) 0.66 | |||||||||||
| ZSCB025.025K | - | 250 | 250 | 267 | 53 | 10 | 12 | 48 | 1.30 | ||
| ZSCB025.028-031K | - | 250 | 280-315 | 282-300 | 53 | 10 | 14 | 56 | 1.15 | ||
Artikelcode ZSCB025.028-031K Voorraad - d3 250 d 280-315 l3 282-300 lp3 53 s 10 Doos # 14 Pallet # 56 Gewicht (kg) 1.15 | |||||||||||
| ZSCB025.035-040K | - | 250 | 355-400 | 320-342 | 53 | 10 | 14 | 56 | 1.05 | ||
Artikelcode ZSCB025.035-040K Voorraad - d3 250 d 355-400 l3 320-342 lp3 53 s 10 Doos # 14 Pallet # 56 Gewicht (kg) 1.05 | |||||||||||
| ZSCB025.045K | - | 250 | 450 | 367 | 53 | 10 | 14 | 56 | 1.05 | ||
| ZSCB025.050-063K | - | 250 | 500-630 | 392-457 | 53 | 10 | 16 | 64 | 1.00 | ||
Artikelcode ZSCB025.050-063K Voorraad - d3 250 d 500-630 l3 392-457 lp3 53 s 10 Doos # 16 Pallet # 64 Gewicht (kg) 1.00 | |||||||||||
Lagedijkerweg 15
1742 NB Schagen
Nederland
+31 224 296041
info@airspiralo.com